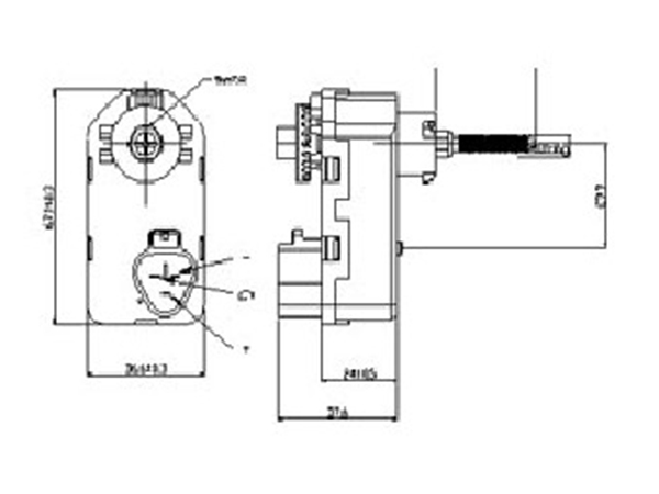
The headlight leveling motor (headlamp leveling actuator) is a kind of motor applied in the automobile headlight dimming drive, which has the function of deceleration and transmission, and the main transmission structure is assembled by drive. Motor, gear box assembly; drive motor can be DC brush motor, DC brushless motor, stepper motor, hollow cup motor, micro motor as the drive motor, gear box can be used planetary gear box, worm gear box, custom gear box services; output power within 50W, voltage within 24V, diameter specifications within 38mm small power micro motor. headlight leveling motor (headlamp leveling actuator) usually uses custom headlight dimming motor gearbox parameters.Adjustable headlight height means that the headlight has the function of adjusting the light irradiation angle, by adjusting the headlight irradiation angle in order to get the best irradiation range, so as to improve road driving safety.
Minimum order quantity: 500 pieces
Product number:206AZ12V
Working voltage:12V


| Performance parameters | |
| Item | Standard values |
| Rated working voltage | 12V |
| Working current | ≤400mA |
| Mounting dimension | M5×0.8-6g |
| Item | Standard values |
| Running speed | 0.7±0.2mm/s |
| Push-pull force | ≥40N |
| Distance of travel | 2.2±0.3mm |
| Internal/external position | External |
| Adaptable auto mode | KIA Plett |